再生検波式受信機の製作
2018.2.5 JA5NAF
1 はじめに
再生検波方式は、アメリカの電気工学研究者エドウィン・ハワード・アームストロング(Edwin Howard Armstrong 1890-1954)
が、1914年に特許取得した受信方式です。
検波信号の一部を、入力側に戻し(正帰還)、発振寸前の状態へ調整することで、高い増幅率が得られます。
さらに、発振寸前にすることで回路のインピーダンスが上がり、LC同調回路のQが高まります。
その結果、共振周波数だけが高い増幅率を得られるため、高い選択度が得られます。
アームストロングは、その後スーパーヘテロダイン方式(1918年)、超再生受信方式(1922年)、FM(周波数変調)方式(1933年)などを発明しました。
アームストロングって、すごい人ですね。
今から40年くらい前に、雑誌の記事を真似して、再生検波式短波ラジオを作ったことがありましたが、うまくいきませんでした。
今思えば、製作技術が未熟で、特にコイルの巻き方がいい加減でした。
再生が十分にかからなかったため、感度が低く、クリスタルイヤホンの音も小さかったように記憶しています。
それ以来、いつかきちんと再生検波式の受信機を作ってみたいと思っていました。

誠文堂新光社発行「初歩のラジオ」 1972年10月号から 0-T-1ミゼット短波受信機 回路図 著者 泉弘志氏

誠文堂新光社発行「初歩のラジオ」 1972年10月号から 0-T-1ミゼット短波受信機 実体配線図 著者 泉弘志氏
2 設計
参考資料を収集しましたが、日本国内よりも、海外の方が再生検波受信機の製作、研究、ディスカッションがアクティブです。
その中でも、AA7EEのサイトが目にとまりました。
彼はマンハッタン方式と呼ばれる方法で、とても丁寧に美しく製作しています。
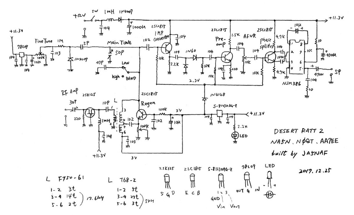
彼がインスパイアを受けたのは、NA5NとNΦQTのDESERT RATT2という製作事例だということです。
ですから、私はAA7EE、NA5N、NΦQTの3人に、心からの敬意を表します。
AA7EEの回路と比べて、私の変更点は次のとおりです。
1 RFアンプを、接合型FETのゲート接地したものにしました。
これは、RFアンプの役割りが、主として受信機からの不要輻射を阻止するためであり、ゲインは必要ないからです。
短波帯においては、初段のゲイン過多は、受信機に良くない影響を及ぼします。
2 Fine Tune回路を追加しました。ここでは、整流用のダイオードIN4007をバリキャップ代わりに使いました。
メインチューニングのバリコンは、減速機構を付けていませんので、Fine Tuneは必要不可欠です。
このFine Tuneのために、9Vの安定化した電圧を用意しました。5Vでコントロールするより、可変範囲が広がります。
3 LEDとダイオードによる安定化電圧の代わりに、三端子レギュレータを使って3Vを供給します。
3Vの三端子レギュレータはあまり見かけませんが、探すといくつかあるようです。
S-81230はセイコー社の製品ですが、ピンの配置が他とは異なり独特です。
4 今回は、アマチュア無線の3.5MHz帯(80mBand)を聞きたいと思いました。
3.5MHz帯を聞くためには、大きなインダクタンスが必要です。
そのためコイルは、T68-6に代えて、FT50-61に巻きました。
FT50-61は、少ない巻き数で大きなインダクタンスを得ることができます。
0.2MHz〜10MHzの同調用のインダクタとして有用なチョイスです。

3 製作
フロントパネルは、3mm厚の不等辺アルミアングルを使用しました。
いろいろな規格がありますが、25mm×50mmのものです。
定尺は4000mmで、通信販売で購入しました。
アルミアングルは、金切りノコで切断し、切断面をヤスリで整えました。

これを手元にあった172mm×100mm×3mmのアルミ板に、4Φのビスナットで取り付けました。
さらに、そのアルミ板の上にプリント基板を3Φのビスナットで取り付けました。
閉鎖された筐体ではありませんが、ずっしりと重く、かなり堅牢です。
構造的に堅牢な方が、電気的にも安定します。

大まかなフロントパネルの配置を決めたうえで、穴あけしました。
スイッチやバリコン、ボリウムは、5mm〜6mmの穴を空けます。
穴あけは、電動ドリルを使いました。
パイロットランプ用のLEDは、3mmの穴を空け、内側をリーマーで少し広げて調整し、接着剤で固定しています。

バリコン、ボリウム、スイッチ等を取り付けて、ノブをかぶせると受信機らしく見えてきます。

電子部品の組み立ては、5mm×5mmくらいのプリント基板のチップを、160mm×75mmの親基板の上に瞬間接着剤で貼り付け、その上にパーツを半田付けしました。
いわゆるマンハッタン方式ですが、私はAA7EEのように美しく製作することはできません。
バンド切り替え用の47pFのディスクセラミックは、ホット側のリード線を短くします。
アース側は、少々長くても構いません。

コイルは、FT50-61に巻きました。
巻き数のデータは、回路図を参照してください。
今のところ、LowとHighの両バンドで、3.2MHz〜7.5MHzをカバーします。

配線は見栄えも大事ですが、なるべく最短距離で結線します。

NJM386の8PDIPのIC用のパッドは、エクセルでマスクフィルムを作り、感光基板で作成したものです。

完成です。パイロットランプの3mmの赤色LEDが明るいです。
4 使用感
予想以上によく聞こえます。
発振する直前まで再生量を上げると、感度も選択度も良くなることを実感できます。
ラジオNIKKEIは、第1放送と第2放送を完全に分離して受信できます。
3.5MHz帯のSSBも、十分受信可能です。
周波数が少し離れると、適度な再生量もかなり変わってきます。
強力な放送局を受信する場合は、再生量を絞らないと音が割れてしまいます。
また再生検波式受信機は、安定度が良くないというイメージがありましたが、短波放送受信中のQRHは皆無でした。
SSBの受信では、わずかに微調整が必要な場面がありましたが、ほとんど気になりませんでした。

ラジオNIKKEI 6055KHz
https://youtu.be/DFBy_tZ5q4s

KBS WORLD Radio 6155KHz
https://youtu.be/NKRHHnIdfHA

3.5MHz 80mBand
https://youtu.be/nC7TUbpCgZI

北京放送 7325KHz
https://youtu.be/49KwZqZqSMI
5 問題点と今後の展望
今回は主同調に100pFのバリコンを使用しました。
大きな容量のバリコンを使うと、受信可能範囲が広くなります。
ただし、高い周波数帯では、High-L、Low-Cとなり、同調回路自体のインピーダンスが高くなります。
低い周波数帯よりも発振しやすいため、再生量の調整が難しく、同調もクリチカルで使いにくいです。
そのため、受信範囲はあまり欲張らず、主同調のバリコンの容量は小さめにした方が、使いやすい受信機になります。
今回は、アマチュア無線の3.5MHZ帯(80mBand)を聞くことが目標でしたが、7MHz帯(40mBand)もカバーできて良かったと思っています。
ですが、やはり短波放送のメインストリートと言われる9MHz帯(31mBand)も聞きたいと思います。
次回は、ぜひ9MHz帯用の受信機を作りたいと思います。
そして、TenTec Model253、MFJ-8100のように、コイルを切り替えて多Band化を図った再生検波受信機に、興味を持っています。
6 終わりに
1960年代〜70年代にアマチュア無線を始めた人の多くは、0-V-1や0-V-2などの、真空管を使った再生受信機を入門用として自作しました。
最初の0は高周波増幅、Vは真空管による検波、1や2は低周波増幅の段数を表していました。
再生検波方式のメリットは、少ない部品によるシンプルな回路で、高い感度と選択度が得られたことでした。
しかし、調整がクリチカルで、使いにくいところがありました。
民生用のラジオとしても販売されたようですが、全盛期は、真空管時代の初期に限られていたようです。
アマチュア無線の受信機も、やがて5球スーパー、高1中2、さらにバンドごとにクリスタルコンバーターを付けた、コリンズタイプへと進化していきました。

真空管時代の並四コイル 直径6cm
半導体の時代になって、再生検波受信機は、初心者用のラジオとして、細々とその存在が知られていました。
それが、1998年のアメリカQEX誌に掲載されたN1TEVの、High perfermance Regenの記事をきっかけに、builderたちの格好の実験テーマとなりました。
それは、トランジスターやFETで、再生検波受信機を製作するための回路の最適化の究明です。
100年前に、アームストロングにより発明された再生検波受信機は、現在でも新しいテーマです。